yituLogo
当前的位置:首页 > 室内CAD图纸 > cad > 家装图纸 > 别墅大宅 > 农村徽派马头墙住宅楼CAD施工图

图纸介绍

别墅类型:小康农居                        高度类别:多层建筑

设计风格:中式风格                       结构形式:钢筋混凝土结构

图纸深度:施工图

内容简介:

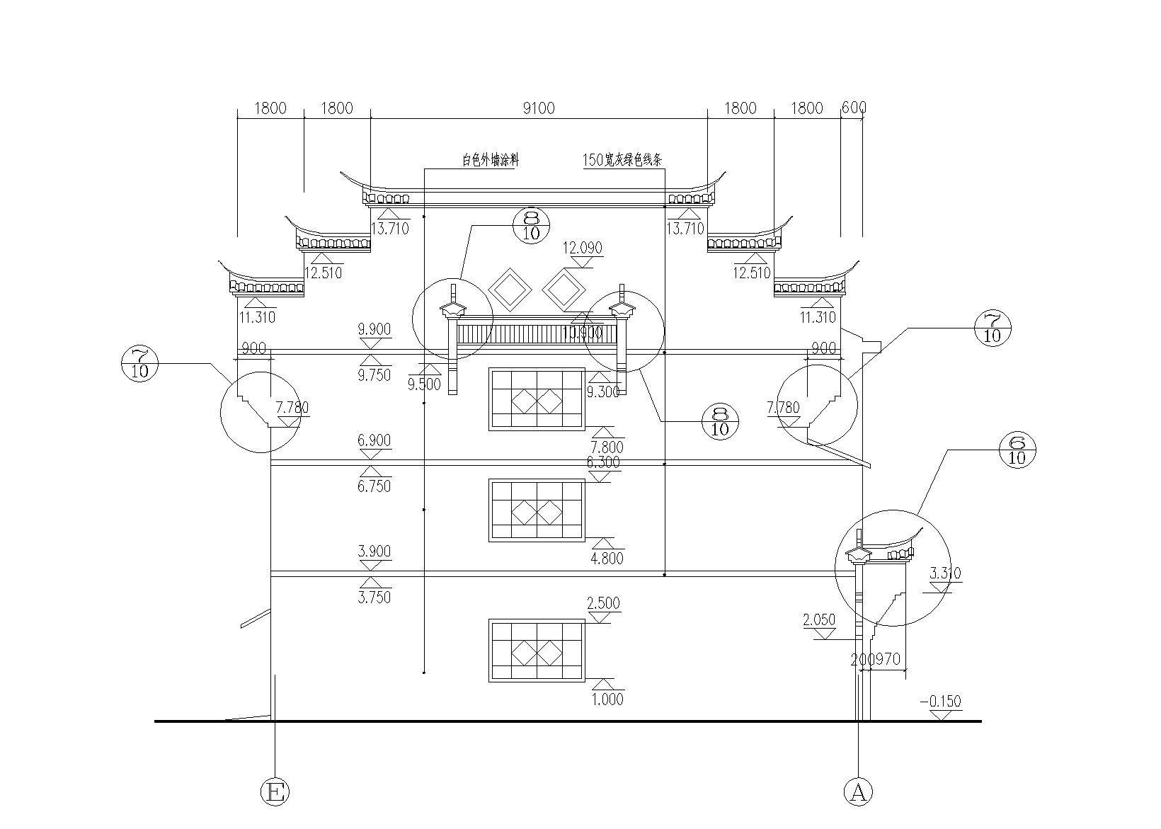
农村徽派墙住宅CAD施工图目录:该建筑住宅使用农村徽派的风格,有防风以及防火的作用,尖部分与现代建筑中的避雷针的原理比较相似,图纸包括立面图、剖面图、梯放大图等。

部分资料展示:

 

立面图1

 

立面图1

 

立面图2

 

立面图2

 

立面图3

 

立面图3

 

1-1剖面图

 

1-1剖面图

 

一层<a href=https://www.yitu.cn/su/7392.html target=_blank class=infotextkey>平面</a>图

 

一层平面

 

阁<a href=https://www.yitu.cn/su/8159.html target=_blank class=infotextkey>楼</a><a href=https://www.yitu.cn/su/7392.html target=_blank class=infotextkey>平面</a>图

 

平面

 

节点大样图

 

 

节点大样图

 

农村徽派马头墙住宅楼CAD施工图

ID:15823
软     件:sketchup 大     小:1.40MB 上 传 时 间:20191023 消 耗 积 分:30
  • 收藏 ()
  • 评论 ()
  • ⚠图纸报错

qianqian 普通会员

关注
  • 户外垃圾桶
  • 户外垃圾桶
  • 户外垃圾桶
SU模型、3D模型、贴图、材质、CAD施工图素材:

su模型,su素材库,3d模型,3d模型库,3d模型下载,3d模型素材,3dmax模型免费下载,cad施工图纸,3d材质贴图,沙发SU模型,椅凳SU模型,柜类SU模型,厨卫SU模型,3D沙发模型,3D陈设饰品,3D柜类模型,3D家装空间,家装CAD图纸,CAD图库,CAD节点详图,橱柜衣柜CAD图纸,CAD施工图,居住建筑效果图,工业建筑效果图,公共建筑效果图

友情链接 热门模型 免费模型