yituLogo
当前的位置:首页 > 室内CAD图纸 > cad > CAD图库 > 图库集 > 消防泵一二次接线图CAD图纸下载dwg文件下载

图纸介绍

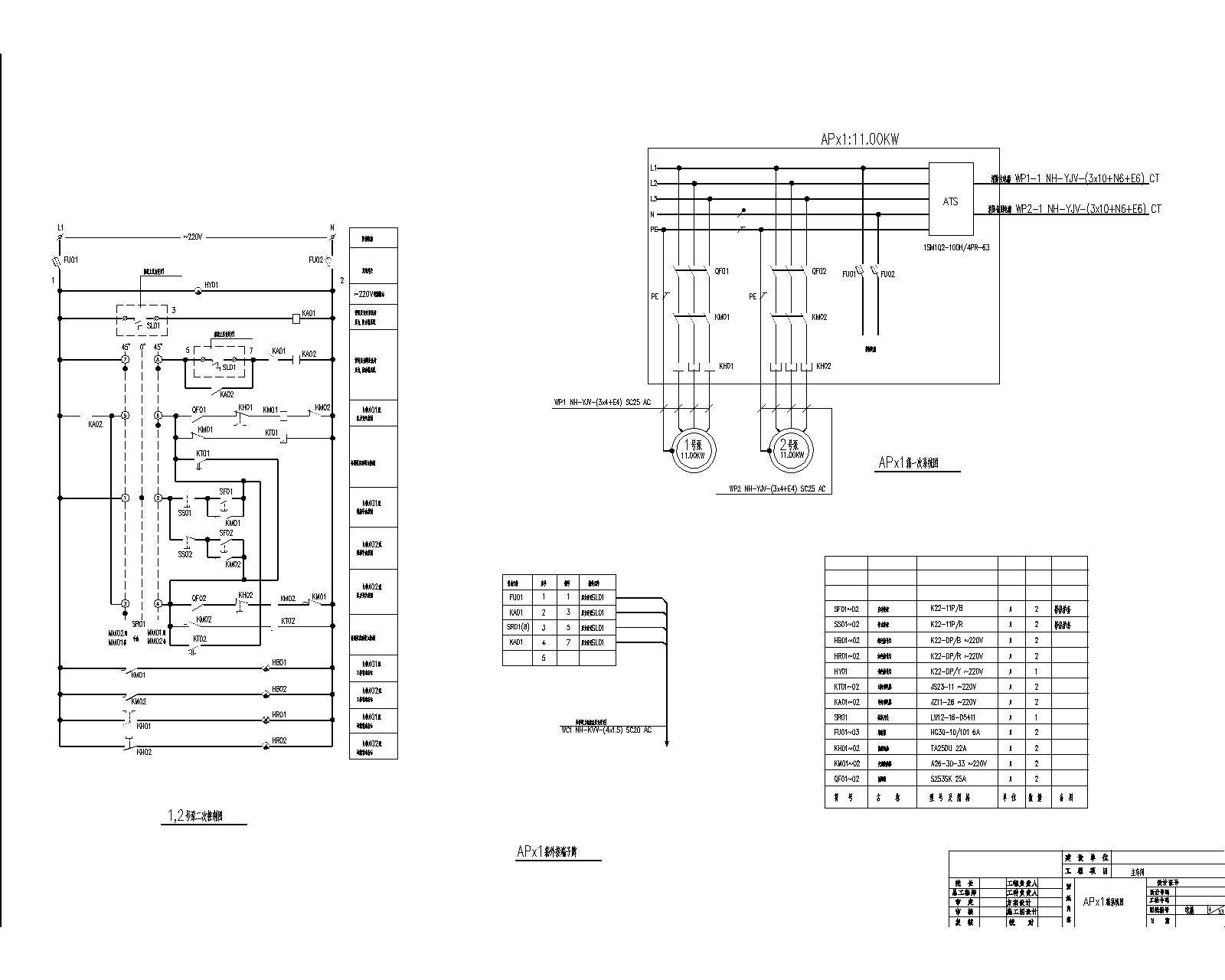
消防泵一二次接线图CAD图纸下载dwg文件下载,消防泵接线图能够按照接线图来安装线路。是十分的方便快捷,也是十分的明了。原创图大师su模型skb模型分享

消防泵一二次接线图CAD图纸下载dwg文件下载

ID:14030
软     件:sketchup 大     小:0.20MB 上 传 时 间:20190724 消 耗 积 分:30
  • 收藏 ()
  • 评论 ()
  • ⚠图纸报错

白桦树 普通会员

关注
  • 欧式别墅su模型下载、欧式别墅草图大师模型下载
  • 欧式别墅su模型下载、欧式别墅草图大师模型下载
  • 欧式别墅su模型下载、欧式别墅草图大师模型下载
SU模型、3D模型、贴图、材质、CAD施工图素材:

su模型,su素材库,3d模型,3d模型库,3d模型下载,3d模型素材,3dmax模型免费下载,cad施工图纸,3d材质贴图,沙发SU模型,椅凳SU模型,柜类SU模型,厨卫SU模型,3D沙发模型,3D陈设饰品,3D柜类模型,3D家装空间,家装CAD图纸,CAD图库,CAD节点详图,橱柜衣柜CAD图纸,CAD施工图,居住建筑效果图,工业建筑效果图,公共建筑效果图

友情链接 热门模型 免费模型