yituLogo
当前的位置:首页 > 室内CAD图纸 > cad > 家装图纸 > 家居 > 现代四居室设计施工图含实景和CAD模型下载

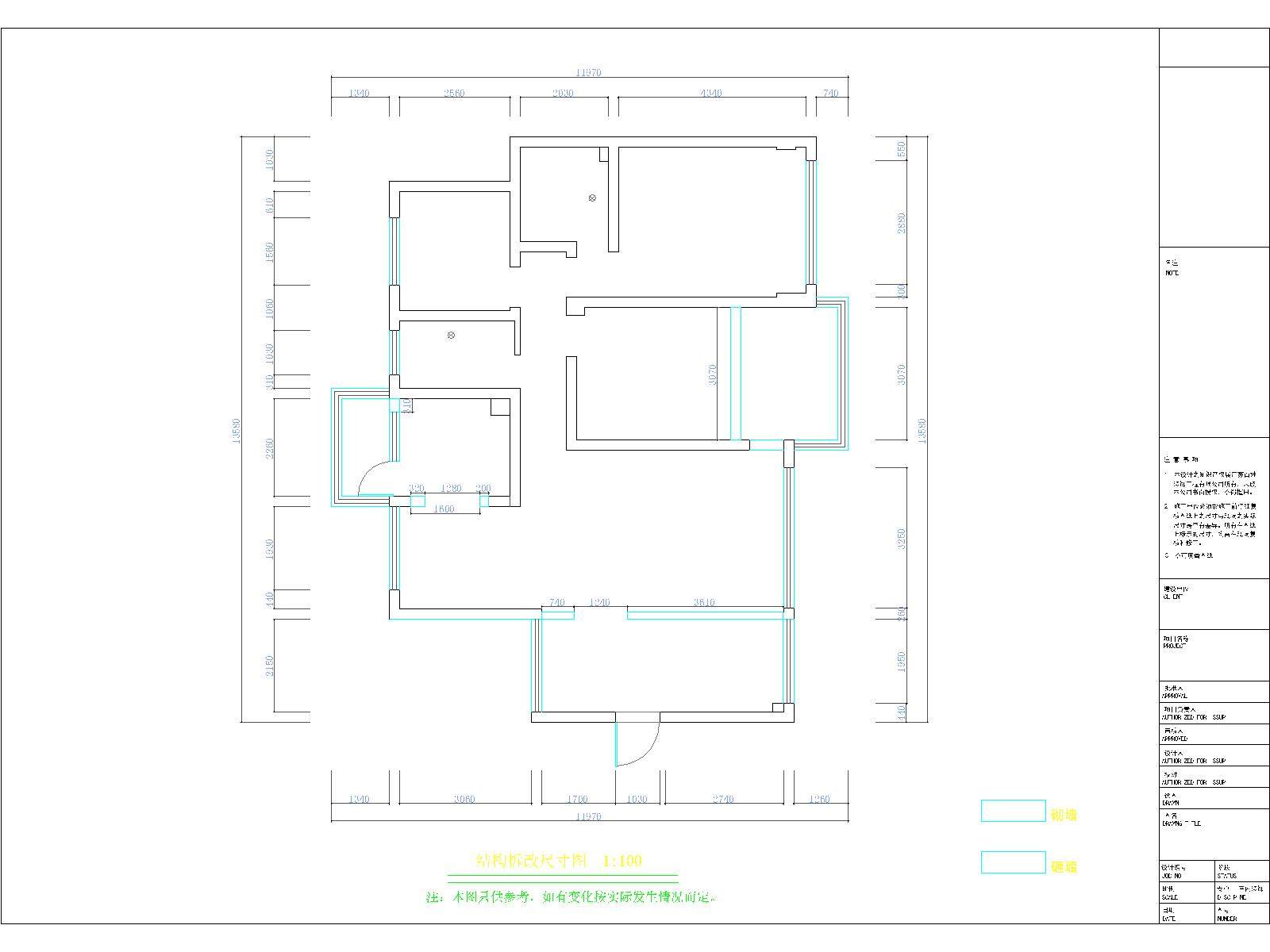
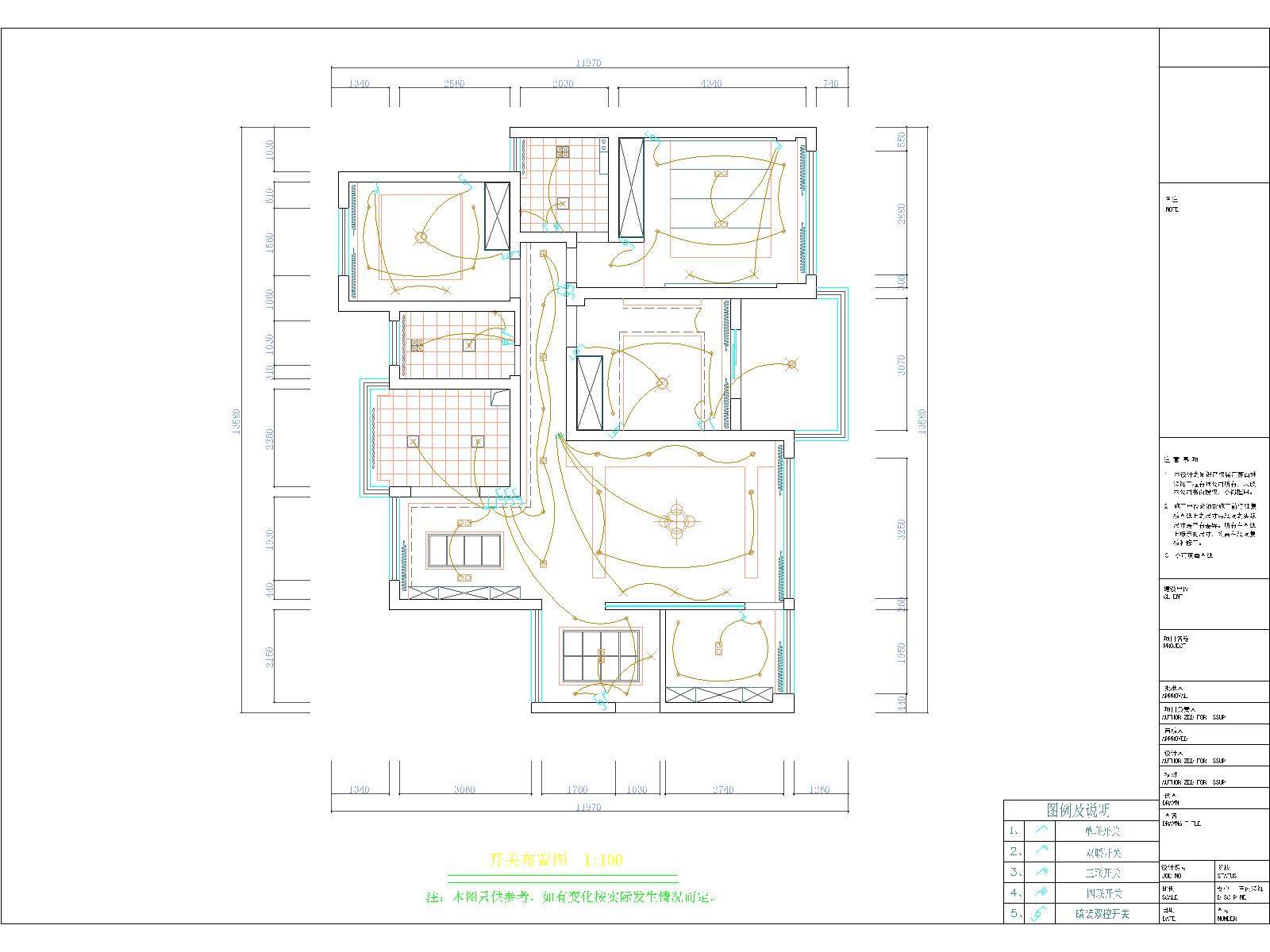
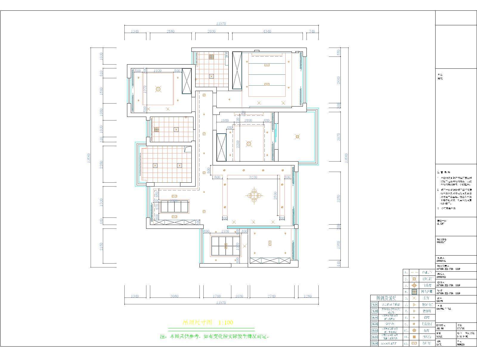
现代四居室设计施工图含实景和CAD模型下载

ID:13680
软     件:sketchup 大     小:6.90MB 上 传 时 间:20190722 消 耗 积 分:30
  • 收藏 ()
  • 评论 ()
  • ⚠图纸报错

husen 普通会员

关注
  • 中式售楼处sketchup模型,销售中心skp模型下载
  • 中式售楼处su模型,销售中心草图大师模型下载
  • 中式历史文化展厅su模型,展厅草图大师模型下载
SU模型、3D模型、贴图、材质、CAD施工图素材:

su模型,su素材库,3d模型,3d模型库,3d模型下载,3d模型素材,3dmax模型免费下载,cad施工图纸,3d材质贴图,沙发SU模型,椅凳SU模型,柜类SU模型,厨卫SU模型,3D沙发模型,3D陈设饰品,3D柜类模型,3D家装空间,家装CAD图纸,CAD图库,CAD节点详图,橱柜衣柜CAD图纸,CAD施工图,居住建筑效果图,工业建筑效果图,公共建筑效果图

友情链接 热门模型 免费模型